篮球新闻 足球新闻
当前位置:首页 > 体育新闻 > 足球新闻
足球新闻

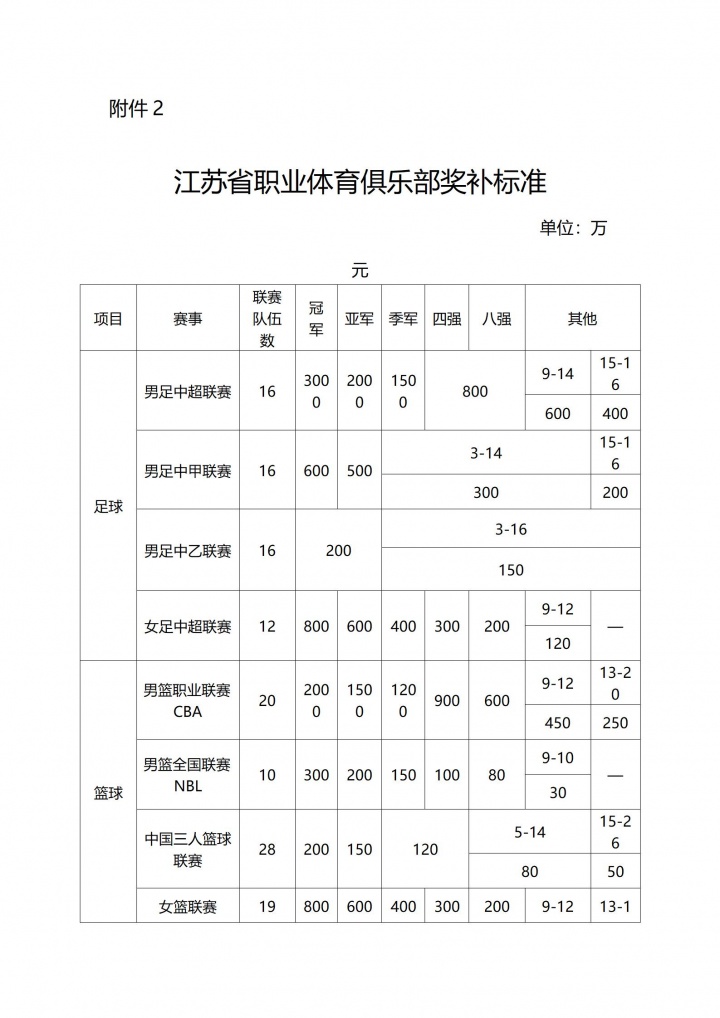
昔日苏宁错过!江苏省职业俱乐部奖补:中超冠军3000万亚军2000万

07月27日讯 江苏省体育局发布《江苏省职业体育俱乐部奖补标准》,俱乐部根据上一赛季参加的全国高级别职业联赛成绩申请奖补资金。

根据奖补标准,中超冠军奖补3000万,亚军2000万,季军1500万,第4-第8奖补800万,第9-第14奖补600万,第15-16奖补400万。

中甲、中乙以及女足中超也有相应的专项资金奖补。

根据该标准,江苏无中超球队享受奖补,南通支云上赛季遭遇降级;中甲球队苏州东吴(上赛季中甲第7)、南京城市(上赛季中甲第9)获得300万奖补;中乙球队南通海门珂缔缘(上赛季中甲保级组第10)获得150万奖补。

职业体育俱乐部申请奖补资金须符合以下条件:

(一)俱乐部根据上一赛季(2024赛季或联赛已结束的2024-2025赛季)参加的全国高级别职业联赛成绩申请奖补资金,除足球、篮球(CBA、NBL)外,其他运动项目联赛最后两名不予奖补;

(二)俱乐部上一赛季没有被降级,且继续参加下一赛季联赛;

(三)符合《江苏省体育事业发展专项资金(职业体育俱乐部发展)奖补细则 》所要求的其他条件。